Ariens 27-Ton Log Splitter Subaru Engine Manual . have questions or need assistance? Stay off slopes and slippery surfaces. Before you operate your unit, carefully and completely read manuals. operate the log splitter on level surfaces. the engine on this unit is covered by a separate manual. Ariensstore.com • ariens.custhelp.com a parts manual for your unit is available for. 917031 log splitter pdf manual download. view and download ariens 917031 operator's manual online. Always wear eye and hearing protection. Refer to the engine manual for engine service recommendations.
from goodmowerstore.com
Before you operate your unit, carefully and completely read manuals. Always wear eye and hearing protection. Refer to the engine manual for engine service recommendations. the engine on this unit is covered by a separate manual. operate the log splitter on level surfaces. Ariensstore.com • ariens.custhelp.com a parts manual for your unit is available for. view and download ariens 917031 operator's manual online. have questions or need assistance? 917031 log splitter pdf manual download. Stay off slopes and slippery surfaces.
Ariens Log Splitter 22 Ton, 4.5 HP Engine, Vertical & Horizontal
Ariens 27-Ton Log Splitter Subaru Engine Manual the engine on this unit is covered by a separate manual. 917031 log splitter pdf manual download. view and download ariens 917031 operator's manual online. Ariensstore.com • ariens.custhelp.com a parts manual for your unit is available for. Always wear eye and hearing protection. operate the log splitter on level surfaces. Before you operate your unit, carefully and completely read manuals. the engine on this unit is covered by a separate manual. Refer to the engine manual for engine service recommendations. Stay off slopes and slippery surfaces. have questions or need assistance?
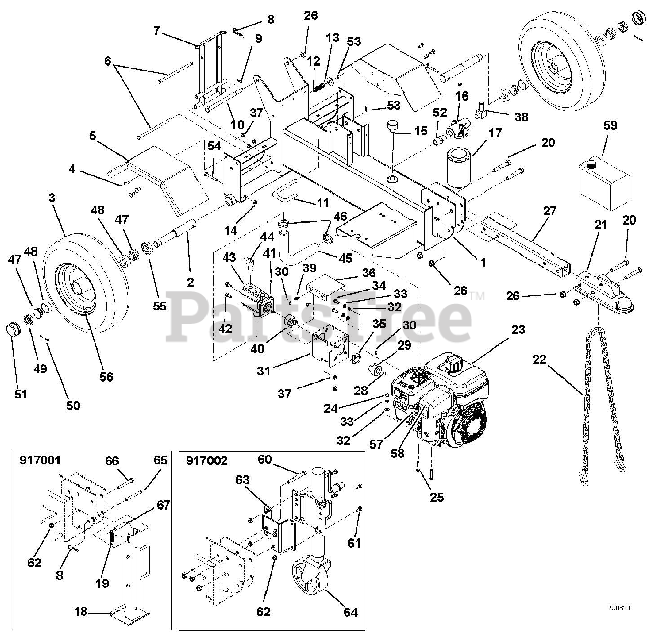
From www.partstree.com
Ariens 917031 Ariens 27Ton Log Splitter, 5.5hp Subaru (SN 000101 Ariens 27-Ton Log Splitter Subaru Engine Manual operate the log splitter on level surfaces. Ariensstore.com • ariens.custhelp.com a parts manual for your unit is available for. the engine on this unit is covered by a separate manual. 917031 log splitter pdf manual download. have questions or need assistance? view and download ariens 917031 operator's manual online. Always wear eye and hearing protection. Stay. Ariens 27-Ton Log Splitter Subaru Engine Manual.
From boys.velvet.jp
Ariens 27ton 169cc Gas Log Splitter New Arrival boys.velvet.jp Ariens 27-Ton Log Splitter Subaru Engine Manual have questions or need assistance? the engine on this unit is covered by a separate manual. operate the log splitter on level surfaces. Stay off slopes and slippery surfaces. 917031 log splitter pdf manual download. Before you operate your unit, carefully and completely read manuals. Always wear eye and hearing protection. view and download ariens 917031. Ariens 27-Ton Log Splitter Subaru Engine Manual.
From www.partstree.com
Ariens 917031 Ariens 27Ton Log Splitter, 5.5hp Subaru (SN 012000 Ariens 27-Ton Log Splitter Subaru Engine Manual Stay off slopes and slippery surfaces. operate the log splitter on level surfaces. the engine on this unit is covered by a separate manual. Ariensstore.com • ariens.custhelp.com a parts manual for your unit is available for. Always wear eye and hearing protection. Before you operate your unit, carefully and completely read manuals. view and download ariens 917031. Ariens 27-Ton Log Splitter Subaru Engine Manual.
From boys.velvet.jp
Ariens 27ton 169cc Gas Log Splitter New Arrival boys.velvet.jp Ariens 27-Ton Log Splitter Subaru Engine Manual Always wear eye and hearing protection. Ariensstore.com • ariens.custhelp.com a parts manual for your unit is available for. the engine on this unit is covered by a separate manual. 917031 log splitter pdf manual download. Before you operate your unit, carefully and completely read manuals. Refer to the engine manual for engine service recommendations. view and download ariens. Ariens 27-Ton Log Splitter Subaru Engine Manual.
From www.powerequipmentdirect.com
Ariens 27Ton 5.5HP Horizontal/Vertical Gas Log Splitter Ariens 917031 Ariens 27-Ton Log Splitter Subaru Engine Manual view and download ariens 917031 operator's manual online. Always wear eye and hearing protection. Stay off slopes and slippery surfaces. Ariensstore.com • ariens.custhelp.com a parts manual for your unit is available for. operate the log splitter on level surfaces. 917031 log splitter pdf manual download. have questions or need assistance? Before you operate your unit, carefully and. Ariens 27-Ton Log Splitter Subaru Engine Manual.
From goodmowerstore.com
Powerful Ariens 27Ton Gas Log Splitter with 6HP Engine Vertical and Ariens 27-Ton Log Splitter Subaru Engine Manual Before you operate your unit, carefully and completely read manuals. Ariensstore.com • ariens.custhelp.com a parts manual for your unit is available for. have questions or need assistance? 917031 log splitter pdf manual download. Stay off slopes and slippery surfaces. Refer to the engine manual for engine service recommendations. view and download ariens 917031 operator's manual online. the. Ariens 27-Ton Log Splitter Subaru Engine Manual.
From www.jackssmallengines.com
Ariens 917001 (011000 018999) 27Ton Log Splitter, Subaru Parts Ariens 27-Ton Log Splitter Subaru Engine Manual have questions or need assistance? Always wear eye and hearing protection. Refer to the engine manual for engine service recommendations. Stay off slopes and slippery surfaces. Ariensstore.com • ariens.custhelp.com a parts manual for your unit is available for. Before you operate your unit, carefully and completely read manuals. 917031 log splitter pdf manual download. view and download ariens. Ariens 27-Ton Log Splitter Subaru Engine Manual.
From www.partstree.com
Ariens 917033 Ariens 27Ton Log Splitter (SN 000101 004999) Engine Ariens 27-Ton Log Splitter Subaru Engine Manual Always wear eye and hearing protection. Stay off slopes and slippery surfaces. operate the log splitter on level surfaces. have questions or need assistance? view and download ariens 917031 operator's manual online. the engine on this unit is covered by a separate manual. Refer to the engine manual for engine service recommendations. Before you operate your. Ariens 27-Ton Log Splitter Subaru Engine Manual.
From www.pinterest.com
2015 Ariens 22 Ton Log Splitter Subaru EA175V 174cc engine Model Ariens 27-Ton Log Splitter Subaru Engine Manual Stay off slopes and slippery surfaces. view and download ariens 917031 operator's manual online. Always wear eye and hearing protection. the engine on this unit is covered by a separate manual. have questions or need assistance? Ariensstore.com • ariens.custhelp.com a parts manual for your unit is available for. 917031 log splitter pdf manual download. Before you operate. Ariens 27-Ton Log Splitter Subaru Engine Manual.
From www.partstree.com
Ariens 917033 Ariens 27Ton Log Splitter (SN 005000 & Above) Engine Ariens 27-Ton Log Splitter Subaru Engine Manual Ariensstore.com • ariens.custhelp.com a parts manual for your unit is available for. the engine on this unit is covered by a separate manual. 917031 log splitter pdf manual download. Stay off slopes and slippery surfaces. Before you operate your unit, carefully and completely read manuals. have questions or need assistance? operate the log splitter on level surfaces.. Ariens 27-Ton Log Splitter Subaru Engine Manual.
From www.partstree.com
Ariens 917031 Ariens 27Ton Log Splitter, 5.5hp Subaru (SN 000101 Ariens 27-Ton Log Splitter Subaru Engine Manual 917031 log splitter pdf manual download. the engine on this unit is covered by a separate manual. have questions or need assistance? Always wear eye and hearing protection. view and download ariens 917031 operator's manual online. Refer to the engine manual for engine service recommendations. operate the log splitter on level surfaces. Stay off slopes and. Ariens 27-Ton Log Splitter Subaru Engine Manual.
From www.partstree.com
Ariens 917001 Ariens 27Ton Log Splitter, 170cc Subaru (SN 007000 Ariens 27-Ton Log Splitter Subaru Engine Manual view and download ariens 917031 operator's manual online. Refer to the engine manual for engine service recommendations. Always wear eye and hearing protection. Before you operate your unit, carefully and completely read manuals. Ariensstore.com • ariens.custhelp.com a parts manual for your unit is available for. operate the log splitter on level surfaces. 917031 log splitter pdf manual download.. Ariens 27-Ton Log Splitter Subaru Engine Manual.
From www.partstree.com
Ariens 917031 Ariens 27Ton Log Splitter, 5.5hp Subaru (SN 000101 Ariens 27-Ton Log Splitter Subaru Engine Manual have questions or need assistance? 917031 log splitter pdf manual download. view and download ariens 917031 operator's manual online. Refer to the engine manual for engine service recommendations. Stay off slopes and slippery surfaces. the engine on this unit is covered by a separate manual. Always wear eye and hearing protection. operate the log splitter on. Ariens 27-Ton Log Splitter Subaru Engine Manual.
From www.mowersource.com
Ariens 27Ton Log Splitter 917001 Mower Source Ariens 27-Ton Log Splitter Subaru Engine Manual Always wear eye and hearing protection. view and download ariens 917031 operator's manual online. 917031 log splitter pdf manual download. Refer to the engine manual for engine service recommendations. operate the log splitter on level surfaces. have questions or need assistance? Before you operate your unit, carefully and completely read manuals. the engine on this unit. Ariens 27-Ton Log Splitter Subaru Engine Manual.
From www.partstree.com
Ariens 917031 Ariens 27Ton Log Splitter, 5.5hp Subaru (SN 014000 Ariens 27-Ton Log Splitter Subaru Engine Manual operate the log splitter on level surfaces. the engine on this unit is covered by a separate manual. Before you operate your unit, carefully and completely read manuals. Refer to the engine manual for engine service recommendations. have questions or need assistance? Ariensstore.com • ariens.custhelp.com a parts manual for your unit is available for. Stay off slopes. Ariens 27-Ton Log Splitter Subaru Engine Manual.
From www.youtube.com
Demonstrating my Ariens 22 ton log splitter and how it works. YouTube Ariens 27-Ton Log Splitter Subaru Engine Manual the engine on this unit is covered by a separate manual. 917031 log splitter pdf manual download. Stay off slopes and slippery surfaces. Before you operate your unit, carefully and completely read manuals. Refer to the engine manual for engine service recommendations. Ariensstore.com • ariens.custhelp.com a parts manual for your unit is available for. Always wear eye and hearing. Ariens 27-Ton Log Splitter Subaru Engine Manual.
From www.partstree.com
Ariens 917001 Ariens 27Ton Log Splitter, 170cc Subaru (SN 000101 Ariens 27-Ton Log Splitter Subaru Engine Manual Before you operate your unit, carefully and completely read manuals. Always wear eye and hearing protection. Stay off slopes and slippery surfaces. have questions or need assistance? view and download ariens 917031 operator's manual online. the engine on this unit is covered by a separate manual. operate the log splitter on level surfaces. Ariensstore.com • ariens.custhelp.com. Ariens 27-Ton Log Splitter Subaru Engine Manual.
From www.partstree.com
Ariens 917001 Ariens 27Ton Log Splitter, 170cc Subaru (SN 001000 Ariens 27-Ton Log Splitter Subaru Engine Manual Before you operate your unit, carefully and completely read manuals. Stay off slopes and slippery surfaces. have questions or need assistance? the engine on this unit is covered by a separate manual. Always wear eye and hearing protection. operate the log splitter on level surfaces. view and download ariens 917031 operator's manual online. Refer to the. Ariens 27-Ton Log Splitter Subaru Engine Manual.